Language
Current Location:Home Page >Products >3.6-12kV insulation parts series >12kV bushing series
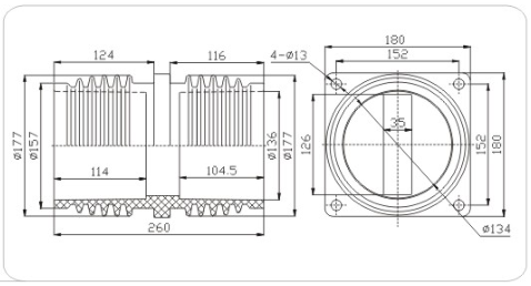
产品名称:套管
产品型号:TGZ16-12
额定电压:12kV
Product design drawing: