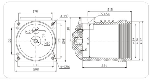
产品名称:12kv触头盒

产品型号:CHZ303-12

额定电流:2000A~3150A


产品设计图:

20200328162415547.png

产品咨询